Khi thiết kế hay thi công các công trình xây dựng, việc nắm rõ kích thước thép hình là yếu tố then chốt quyết định đến chất lượng và độ bền của công trình. Bảng tra thép hình chính là công cụ hỗ trợ đắc lực giúp kỹ sư, nhà thầu và người sử dụng dễ dàng lựa chọn loại thép phù hợp với từng mục đích sử dụng. Thông qua việc tra cứu các thông số kỹ thuật như trọng lượng, diện tích tiết diện hay mô men quán tính, bạn sẽ tối ưu được chi phí đầu tư và đảm bảo an toàn cho công trình.
Bảng Tra Thép Hình H

Thép hình H (hay còn gọi là thép chữ H) là loại thép có tiết diện hình chữ H với hai cánh song song và một bụng thẳng. Loại thép này đặc biệt được ưa chuộng trong các công trình nhà xưởng, nhà thép tiền chế nhờ khả năng chịu lực tốt theo cả hai phương.
Đặc Điểm Nổi Bật Của Thép Hình H
- Có khả năng chống uốn và chịu lực tốt theo cả hai phương
- Tiết diện đồng đều, dễ dàng liên kết với các cấu kiện khác
- Được sản xuất theo công nghệ cán nóng đồng nhất
- Không bị xoắn khi chịu tải trọng lớn
Bảng kích thước thép hình H theo tiêu chuẩn Việt Nam
| Ký hiệu | Chiều cao (mm) | Bề rộng cánh (mm) | Chiều dày bụng (mm) | Chiều dày cánh (mm) | Trọng lượng (kg/m) |
| H100 | 100 | 100 | 6 | 8 | 17.2 |
| H125 | 125 | 125 | 6.5 | 9 | 23.8 |
| H150 | 150 | 150 | 7 | 10 | 31.8 |
| H175 | 175 | 175 | 7.5 | 11 | 40.2 |
| H200 | 200 | 200 | 8 | 12 | 50.4 |
| H250 | 250 | 250 | 9 | 12 | 72.4 |
| H300 | 300 | 300 | 10 | 15 | 94.0 |
| H350 | 350 | 350 | 12 | 16 | 137.0 |
| H400 | 400 | 400 | 13 | 18 | 172.0 |
| H450 | 450 | 450 | 14 | 19 | 199.0 |
| H500 | 500 | 500 | 15 | 20 | 224.0 |
| H600 | 600 | 600 | 16 | 22 | 265.0 |
Ứng Dụng Của Thép Hình H
Thép hình H được sử dụng rộng rãi trong xây dựng nhà xưởng, nhà công nghiệp, kết cấu cầu, các công trình dân dụng lớn. Loại thép này thường được dùng làm:
- Cột chịu lực chính trong nhà thép tiền chế
- Dầm chịu lực trong các công trình lớn
- Kết cấu khung chính của nhà xưởng
- Các công trình cầu vượt, cầu đường bộ
Bảng Tra Thép Hình U

Thép hình U là loại thép có tiết diện hình chữ U với hai cánh song song và một đáy nối liền. Loại thép này có khả năng chịu lực uốn tốt và thường được sử dụng trong các kết cấu phụ hoặc kết hợp với các loại thép khác.
Đặc Điểm Nổi Bật Của Thép Hình U
- Có khả năng chịu uốn tốt theo một phương
- Dễ dàng gia công, cắt và hàn
- Đa dạng về kích thước và chiều dài
- Chi phí thấp hơn so với thép hình H
Bảng kích thước thép hình U theo tiêu chuẩn Việt Nam
| Ký hiệu | Chiều cao (mm) | Bề rộng cánh (mm) | Chiều dày bụng (mm) | Chiều dày cánh (mm) | Trọng lượng (kg/m) |
| U50 | 50 | 38 | 5 | 7 | 5.59 |
| U65 | 65 | 42 | 5 | 7.5 | 7.05 |
| U80 | 80 | 45 | 6 | 8 | 8.98 |
| U100 | 100 | 50 | 6 | 8.5 | 10.9 |
| U120 | 120 | 55 | 7 | 9 | 13.40 |
| U140 | 140 | 60 | 7 | 10 | 16.00 |
| U160 | 160 | 65 | 7.5 | 10.5 | 18.80 |
| U180 | 180 | 70 | 8 | 11 | 22.00 |
| U200 | 200 | 75 | 8.5 | 11.5 | 25.30 |
| U220 | 220 | 80 | 9 | 12.5 | 29.40 |
| U240 | 240 | 85 | 9.5 | 13 | 33.20 |
| U250 | 250 | 90 | 10 | 14 | 38.50 |
| U300 | 300 | 100 | 10 | 15 | 46.20 |
| U350 | 350 | 110 | 11 | 16 | 57.00 |
| U400 | 400 | 115 | 12 | 18 | 71.00 |
Ứng Dụng Của Thép Hình U
Thép hình U được sử dụng rộng rãi trong nhiều công trình:
- Làm xà gồ, đòn tay trong nhà xưởng
- Khung cửa, lan can, hàng rào
- Kết cấu phụ trong các công trình dân dụng
- Giá đỡ, giàn giáo và các kết cấu tạm thời
- Kết hợp với thép hình H tạo thành kết cấu liên hợp
Bảng Tra Thép Hình I

Thép hình I là loại thép có tiết diện hình chữ I với hai cánh song song và một bụng thẳng. Thép hình I khác với thép hình H ở chỗ cánh của thép hình I thường hẹp hơn, và được ưa chuộng trong các kết cấu chịu uốn. Đặc biệt, thép hình I cầu trục còn được sử dụng phổ biến trong các hệ kết cấu nâng hạ, giúp tối ưu khả năng chịu lực và độ bền của cầu trục.
Đặc Điểm Nổi Bật Của Thép Hình I
- Khả năng chịu uốn tốt theo một phương chính
- Tiết kiệm vật liệu hơn so với thép hình H
- Trọng lượng nhẹ hơn thép hình H cùng chiều cao
- Phù hợp với kết cấu dầm đơn
Bảng kích thước thép hình I theo tiêu chuẩn Việt Nam
| Ký hiệu | Chiều cao (mm) | Bề rộng cánh (mm) | Chiều dày bụng (mm) | Chiều dày cánh (mm) | Trọng lượng (kg/m) |
| I80 | 80 | 42 | 3.8 | 5.2 | 5.94 |
| I100 | 100 | 55 | 4.5 | 5.7 | 8.34 |
| I120 | 120 | 64 | 4.8 | 6.3 | 11.5 |
| I140 | 140 | 73 | 4.9 | 6.9 | 14.7 |
| I160 | 160 | 82 | 5.0 | 7.4 | 17.9 |
| I180 | 180 | 91 | 5.1 | 8.0 | 21.2 |
| I200 | 200 | 100 | 5.2 | 8.5 | 24.5 |
| I220 | 220 | 110 | 5.4 | 9.2 | 29.8 |
| I240 | 240 | 120 | 5.6 | 9.8 | 34.8 |
| I260 | 260 | 130 | 5.8 | 10.5 | 41.3 |
| I280 | 280 | 140 | 6.0 | 10.9 | 46.2 |
| I300 | 300 | 150 | 6.2 | 11.5 | 54.2 |
| I320 | 320 | 160 | 6.5 | 12.0 | 58.8 |
| I340 | 340 | 170 | 6.7 | 12.5 | 64.9 |
| I360 | 360 | 180 | 7.0 | 13.0 | 71.1 |
Ứng Dụng Của Thép Hình I
Thép hình I được ứng dụng trong nhiều công trình:
- Làm dầm chịu uốn trong các công trình xây dựng
- Làm xà, sàn liên hợp
- Làm kết cấu chịu lực phụ
- Sử dụng trong các công trình cầu nhỏ và vừa
- Làm thanh giằng, thanh chống trong hệ kết cấu phức tạp
Bảng Tra Thép Hình Chữ C

Thép hình chữ C là loại thép có tiết diện hình chữ C với hai cánh song song và một đáy nối liền, và có mép gấp ở hai cánh. Loại thép này có khả năng chống vặn xoắn tốt hơn so với thép hình U.
Đặc Điểm Nổi Bật Của Thép Hình C
- Có khả năng chống vặn xoắn tốt hơn thép hình U
- Dễ dàng liên kết với các loại vật liệu nhẹ
- Thường được sản xuất từ thép mỏng
- Đa dạng về kích thước
Bảng kích thước thép hình C theo tiêu chuẩn Việt Nam
| Ký hiệu | Chiều cao (mm) | Bề rộng cánh (mm) | Chiều dày (mm) | Trọng lượng (kg/m) |
| C80 | 80 | 40 | 2.0 | 2.35 |
| C100 | 100 | 50 | 2.0 | 2.91 |
| C120 | 120 | 50 | 2.0 | 3.25 |
| C140 | 140 | 60 | 2.0 | 3.85 |
| C150 | 150 | 65 | 2.0 | 4.16 |
| C160 | 160 | 60 | 2.0 | 4.13 |
| C180 | 180 | 70 | 2.0 | 4.74 |
| C200 | 200 | 75 | 2.0 | 5.15 |
| C220 | 220 | 80 | 2.3 | 6.33 |
| C240 | 240 | 85 | 2.5 | 7.57 |
| C250 | 250 | 90 | 2.5 | 7.93 |
| C300 | 300 | 100 | 3.0 | 10.65 |
Ứng Dụng Của Thép Hình C
Thép hình C được sử dụng phổ biến trong:
- Xà gồ mái và vách nhà thép tiền chế
- Làm khung xương cho tường thạch cao
- Hệ giá đỡ, kệ công nghiệp
- Kết cấu phụ trong công trình nhẹ
- Sản xuất cửa, khung cửa, cửa cuốn
Bảng Tra Thép Hình L – V
Thép Hình L (Thép Góc)

Thép hình L hay thép góc là loại thép có tiết diện hình chữ L, gồm hai cánh vuông góc với nhau. Thép góc có thể có cánh đều hoặc cánh không đều.
Bảng kích thước thép hình L cánh đều:
| Ký hiệu | Kích thước cánh (mm) | Chiều dày (mm) | Trọng lượng (kg/m) |
| L40 | 40 x 40 | 4 | 2.42 |
| L45 | 45 x 45 | 4 | 2.74 |
| L50 | 50 x 50 | 5 | 3.77 |
| L60 | 60 x 60 | 6 | 5.42 |
| L65 | 65 x 65 | 6 | 5.91 |
| L70 | 70 x 70 | 7 | 7.38 |
| L75 | 75 x 75 | 7 | 7.94 |
| L80 | 80 x 80 | 8 | 9.63 |
| L90 | 90 x 90 | 9 | 12.2 |
| L100 | 100 x 100 | 10 | 15.1 |
| L110 | 110 x 110 | 10 | 16.8 |
| L120 | 120 x 120 | 12 | 21.9 |
| L130 | 130 x 130 | 12 | 23.8 |
| L140 | 140 x 140 | 13 | 27.7 |
| L150 | 150 x 150 | 15 | 34.0 |
| L200 | 200 x 200 | 16 | 48.5 |
Bảng kích thước thép hình L cánh không đều:
| Ký hiệu | Kích thước cánh (mm) | Chiều dày (mm) | Trọng lượng (kg/m) |
| L45x30 | 45 x 30 | 4 | 2.29 |
| L50x32 | 50 x 32 | 4 | 2.50 |
| L63x40 | 63 x 40 | 5 | 3.89 |
| L75x50 | 75 x 50 | 6 | 5.70 |
| L80x60 | 80 x 60 | 7 | 7.34 |
| L90x56 | 90 x 56 | 8 | 8.78 |
| L100x63 | 100 x 63 | 8 | 9.94 |
| L100x75 | 100 x 75 | 9 | 11.9 |
| L110x75 | 110 x 75 | 9 | 12.6 |
| L125x80 | 125 x 80 | 10 | 15.6 |
| L140x90 | 140 x 90 | 10 | 17.8 |
| L160x100 | 160 x 100 | 12 | 23.8 |
Thép Hình V
Thép hình V là loại thép có tiết diện hình chữ V, thường được sử dụng trong các công trình đặc biệt hoặc làm thanh gia cường.
Bảng kích thước thép hình V
| Ký hiệu | Chiều cao (mm) | Bề rộng cánh (mm) | Chiều dày (mm) | Trọng lượng (kg/m) |
| V50 | 50 | 50 | 5 | 3.85 |
| V65 | 65 | 65 | 6 | 5.96 |
| V75 | 75 | 75 | 7 | 8.04 |
| V90 | 90 | 90 | 8 | 11.0 |
| V100 | 100 | 100 | 10 | 15.3 |
| V120 | 120 | 120 | 12 | 22.1 |
| V150 | 150 | 150 | 15 | 34.5 |
Ứng Dụng Của Thép Hình L Và V
Thép hình L được sử dụng rộng rãi trong:
- Liên kết các cấu kiện khác nhau
- Làm giằng, thanh chống trong kết cấu
- Khung cửa, lan can, hàng rào
- Kệ, giá đỡ công nghiệp
- Kết cấu dàn
Thép hình V được sử dụng trong:
- Các công trình đặc biệt có yêu cầu kỹ thuật cao
- Làm thanh gia cường góc
- Hệ thống dẫn hướng
- Kết cấu đặc biệt trong công nghiệp
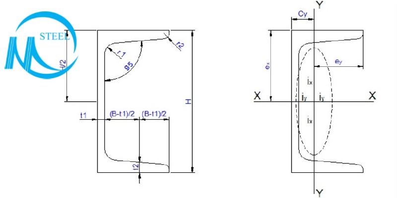
Cách Đọc Và Hiểu Bảng Tra Thép Hình
Để sử dụng hiệu quả các bảng tra thép hình, bạn cần nắm vững cách đọc và hiểu các thông số kỹ thuật.
Thông Số Cơ Bản
- Ký hiệu: Xác định loại và kích thước thép (VD: H300 là thép hình H cao 300mm).
- Kích thước hình học: Chiều cao (h), bề rộng cánh (b), chiều dày bụng (tw), chiều dày cánh (tf)
- Trọng lượng đơn vị (kg/m): Khối lượng 1m thép.
Đặc Trưng Hình Học
- Diện tích tiết diện (A)
- Mô men quán tính (Ix, Iy), mô đun chống uốn (Wx, Wy)
- Bán kính quán tính (ix, iy)
Cách Đọc Bảng
- Chọn loại thép phù hợp (H, I, U, C, L, V…)
- Tra kích thước dựa theo yêu cầu chịu lực.
- Kiểm tra thông số kỹ thuật để đảm bảo an toàn thiết kế.
- Tính khối lượng dựa trên chiều dài và trọng lượng đơn vị.
Lưu Ý Quan Trọng Khi Sử Dụng Bảng Tra
- Luôn kiểm tra tiêu chuẩn áp dụng (TCVN, JIS, ASTM…)
- Xem xét điều kiện sử dụng thực tế (môi trường, thời tiết…)
- Tính toán hệ số an toàn phù hợp
- Cân nhắc khả năng cung ứng thực tế trên thị trường
- Tham khảo ý kiến kỹ sư chuyên ngành khi cần thiết
Địa Chỉ Thép Hình Uy Tín
Địa Chỉ Cung Cấp Thép Hình Uy Tín Tại Việt Nam
Nhà máy sản xuất lớn
- Gang Thép Thái Nguyên (TISCO) – Thái Nguyên
Sản phẩm: U, I, V – Tiêu chuẩn: TCVN, JIS - Thép Pomina – Bà Rịa – Vũng Tàu
Sản phẩm: H, I, U – Tiêu chuẩn: TCVN, JIS, ASTM - Thép Hòa Phát – Hưng Yên
Sản phẩm: H, U, I, L – Tiêu chuẩn: TCVN, JIS
Đại lý phân phối uy tín
- Thép Việt Đức – Hà Nội: Sản phẩm đa dạng, có gia công theo yêu cầu
- Thép Mạnh Hà – TP.HCM: Mạnh về thép H nhập khẩu, kho bãi lớn
- Thép Đông Nam Á – Đà Nẵng: Tư vấn kỹ thuật chuyên sâu, hàng nội và nhập khẩu
Tiêu Chí Chọn Nhà Cung Cấp Thép Hình
- Chất lượng: Có CO, CQ, đạt chuẩn TCVN/quốc tế
- Giá cả: Hợp lý, chính sách linh hoạt, ưu đãi cho khách quen
- Dịch vụ: Giao hàng, gia công, tư vấn kỹ thuật
- Uy tín: Kinh nghiệm lâu năm, nhiều dự án lớn, đánh giá tốt từ khách hàng
Lời Khuyên Khi Mua Thép Hình
- Luôn yêu cầu xem giấy chứng nhận chất lượng sản phẩm
- So sánh giá từ nhiều nhà cung cấp trước khi quyết định
- Kiểm tra thực tế sản phẩm trước khi nhận hàng
- Ưu tiên các đơn vị có dịch vụ hậu mãi tốt
- Tham khảo ý kiến từ những người đã có kinh nghiệm
Việc hiểu rõ kích thước thép hình là yếu tố then chốt giúp kỹ sư và chủ đầu tư đưa ra lựa chọn vật liệu phù hợp với từng hạng mục công trình. Tùy vào mục đích sử dụng, mỗi loại thép hình (H, I, U, V, L…) sẽ có các thông số kỹ thuật khác nhau như chiều cao, bề rộng cánh, chiều dày và trọng lượng riêng, từ đó ảnh hưởng trực tiếp đến khả năng chịu lực và tính ổn định của kết cấu.
Sắt thép Minh Quân hiện có cung cấp các loại thép hình, quý khách hàng có nhu cầu mua hãy liên hệ ngay với Sắt Thép Minh Quân để được tư vấn và hỗ trợ.
Thông tin liên hệ Công ty TNHH Sắt Thép Minh Quân:
- Website: https://satthepminhquan.com.vn
- Địa chỉ: 131/12/4A, đường Tân Chánh Hiệp 18, khu phố 8, phường Tân Chánh Hiệp, Quận 12, TP. Hồ Chí Minh, Việt Nam
- Điện thoại: 0968.973.689
- Hotline: 0949.267.789 (Mr. Bình)

















