Hotline đặt hàng0949.267.789 - 0968.973.689
Chưa có sản phẩm trong giỏ hàng.
Home » THÔNG SỐ KỸ THUẬT
Bảng quy cách và trọng lượng của thép tấm STT QUY CÁCH HÀNG HÓA ( MM ) TRỌNG LƯỢNG (TẤM/KG ) ĐƠN GIÁ KG ( Có VAT ) THÀNH TIỀN ( VNĐ/1 Tấm ) 1 ...
Thông số và quy cách thép hộp vuông chữ nhật Công ty TNHH Sắt Thép Minh Quân chuyên cung cấp các loại thép hộp nhập khẩu bao gồm thép ổng hộp vuông và thép hộp ...
Bảng quy chuẩn thông số quy cách thép ống đúc ỐNG THÉP THEO TIÊU CHUẨN: ASTM/API/ASME ĐỘ DÀI: 6/9/12M DN OD Độ dày (wall thickness) Inh mm mm 10 20 30 STD 40 60 XS 80 100 ...
Bảng thông số kỹ thuật của thép I cầu trục Thép Hình Chữ I Cẩu Trục : Kích thước thông dụng và độ dày tiêu chuẩn Quy cách hàng hóa ( mm ) Chiều Dài ...
Bảng quy cách thép ray đường sắt theo mặt cắt ngang đơn vị tính: mm BẢNG THÔNG SỐ KỸ THUẬT THÉP RAY – RAIL STEEL Thép ray Trong Lượng Barem Chiều Cao (mm) Rộng Mặt (mm) Bề dày ...
Thép chữ U (hay còn gọi là thép hình U) đóng vai trò quan trọng như một vật liệu cấu trúc phổ biến. Với hình dạng giống chữ “U” trong bảng chữ cái tạo ra ...
Thép hình V là một loại vật liệu được sản xuất từ hợp kim sắt và cacbon, cùng với một số hợp chất khác như silic, mangan và phốt pho. Thép hình V có đa ...
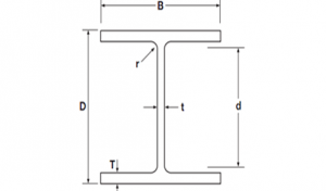
Bảng Thông Số Kỹ Thuật Thép Chữ Hình I Thép Hình Chữ H: Kích thước thông dụng và độ dày tiêu chuẩn Quy cách hàng hóa ( mm ) Chiều Dài Cây ( M/Cây ) ...
Bảng thông số kỹ thuật thép hình H Thép Hình Chữ H: Kích thước thông dụng và độ dày tiêu chuẩn Quy cách hàng hóa ( mm ) Chiều Dài Cây ( M/Cây ) Trọng ...
Tên tài khoản hoặc địa chỉ email *
Mật khẩu *
Ghi nhớ mật khẩu Đăng nhập
Quên mật khẩu?